Manfreds BasteleckePlatine

Bereich Amateurfunk

Achtung: Der Eingriff bzw. die Modifikation von Funkgeräten ist nur entsprechendem Fachpersonal oder Funkamateuren (diese haben eine Prüfung bei der Bundesnetzagentur absolviert) erlaubt! Anderen Personen ist die Modifikation dieser Geräte untersagt! Alle Projekte sind experimenteller Natur und erheben keinen Anspruch auf Funktionsfähigkeit. Ich übernehme keine Haftung für Schäden! Nutzung auf eigene Gefahr! Kommerzielle Nutzung ohne schriftliche Genehmigung verboten!

Übersicht:

- Umbau eines Bosch Betriebsfunkgerätes für den Amateurfunkbereich (Unterbereich Bosch)
- grafisches Windows Bosch-Terminal zur Steuerung des Mikrocontroller Atmega 8 (Unterbereich Bosch)
- Programm zur Berechnung der Diodenmatrix einer Bosch KFE-165 und ähnlichen (Unterbereich Bosch)
- Erweiterung der Bosch um eine LCD-Anzeige inklusive Steuerung (Unterbereich Bosch)
- Frequenzeingabetastatur für Yaesu FT-747 CAT
- Download Frequenseingabetastatur für Yaesu FT-747 CAT


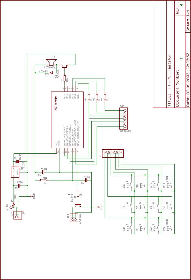
Frequenzeingabetastatur für Yaesu FT-747 CAT:

Tastatur an FT-747 FT-747_Tastatur_3D
Schaltplan_747_Tastatur

Funktionsbeschreitung Frequenzeingabetastatur:

Es handelt sich hierbei um einen Aufbau mit PIC-Mikrocontroller. Es wird eine Zweidrahtverbindung zur CAT-Schnittstelle und ein Kabel zur 12V Spannungsversorgung vom Transceiver benötigt Die Tastatur kann man sich entweder selber löten oder eine fertige mit 3x4 Matrix verwenden. Ich habe z. B. diese Tastatur von Conrad verwendet, die kann direkt auf die Platine gesteckt werden.

Zur Funktion: (Hinweis: ‘*’ entspricht der “Mode”-Taste, ‘#’ entspricht der “Enter”-Taste)
Eingegeben werden die 6 Stellen der Frequenz in folgender Reihenfolge 12.345.6, wobei für die 1. Stelle nur die Ziffern 0 bis 2 zulässig sind (beim FT-747 ist bei 29,999,90 MHz Schluss). Nach jeder Zifferneingabe wird die Frequenz sofort an den Transceiver übermittelt und nach der 6. Stelle ist die Eingabe vollständig und es ertönt ein Quittungston. Bei der nächsten Eingabe einer Ziffer beginnt die Eingabe automatisch wieder bei der 1. Stelle. Sollte man sich vertippt haben, mal die Taste prellen oder die Eingabe beendet sein so kann die Eingabe durch drücken der '#' Taste abgeschlossen werden. Wenn man z.B. die Frequenz 03.600.0 MHz eingeben möchte, so sind folgende Tasten zu drücken: '0' '3' '6' '#' Quittungston ertönt. Man kann natürlich auch alle 6 Stellen eingeben: '0' '3' '6' '0' '0' '0' Quittungston ertönt. Mit der '*' Taste kann der Mode zwischen LSB/USB umgeschaltet werden. Hierbei kann es vorkommen, das "scheinbar" der Transceiver nicht auf den ersten Tastendruck reagiert, dem ist aber nicht so. Da vom FT-747 leider kein Status über die aktuellen Einstellungen abgefragt werden kann, ist der Tastatur die aktuelle Einstellung unbekannt. Wenn z.B. beim ersten Einschalten der Transceiver auf 'USB' steht, so wird beim ersten Tastendruck auf der Tastatur davon ausgegangen, das von LSB auf USB umgeschaltet werden soll (das wird so initialisiert beim Einschalten). Da der Transceiver aber bereits auf USB steht, erfolgt scheinbar keine Änderung. Wird die Taste auf der Tastatur erneut betätigt, so wird von USB auf LSB sichtbar umgeschaltet. Die Tastatur sendet beim Einschalten absichtlich keine Initialisierung an den Transceiver um die letzte Einstellung die ggf. direkt am Transceiver vorgenommen wurde bei zu behalten.

Noch ein Hinweis: beim Anschließen der Tastatur an den Transceiver den Transceiver vorher abschalten, ansonsten kann es an der CAT-Schnittstelle beim Zusammenstecken zu einem Kurzschluß kommen, wenn man die Spannungsversorgung vorher angeschlossen hat.

Download FT-747 Tastatur

Zurück zur Übersicht

[Home] [Amateurfunk] [Bosch] [Elektronik] [Software] [Modellbau] [Kontakt] [Impressum][Datenschutzerklärung]